| Parameter name, characteristics | Value |
|---|---|
| Working environment | water |
| Nominal pressure | 10/16 bar |
| Temperature of the working environment | to 160 C |
| Head losses | no more than 0.2 kg/cm2 |
| The size of the cell of the filter element | from 0.4 mm to 14 mm |
| Connection | DN50-DN900 – flange/thread (flange according to GOST 12821, DIN2634, EN1092, ISO7005, JIS B2220); (threaded according to GOST 6357, DIN 259, EN 10226, ISO R228, JIS B 0202) G1/2-G2 – internal external thread |
| Installation | Vertical, the flow direction must coincide with the direction of the arrow on the housing |
| Net weight, kg | 20-4200 |
Graph of pressure drop (for water):
Grid: holes = Ø10-0.8 holes/cm2, cells = 40 mesh
The mesh separator OPEKS-1-MFS, which is designed to separate water from mechanical impurities (suspended parts of sand, scale, large corrosion products) and can be used to separate cold and hot water on the return pipeline of the heating network in boiler houses, at the inlets to the CTP , subscriber supplies of cold and hot water supply and elevator units, etc., as well as for pre-separation of water before filters at water intakes, various technological flows of water from mechanical impurities. Installation of a mesh separator excludes transmission of hydraulic shock.
Principle of action.
The mesh separator is a pipeline expansion node with a change in the direction of the water flow. Separation of water from mechanical impurities in the mesh separator takes place due to the combined use of the natural forces of flow inertia and gravity with the use of a coarse stainless steel mesh as a separating element. The work of the mesh separator is to receive the outgoing water, separate it and remove the separated water. In the process of operation, it is necessary to control the hydraulic resistance of the mesh separator according to the readings of the pressure gauges (or differential pressure gauge) on the pipeline line before and after the mesh separator.
As dirt accumulates in the separating element of the mesh separator and becomes clogged with scale or other suspended particles, the hydraulic resistance of the device increases.
If the resistance value is exceeded, it is necessary to turn off the mesh separator and clean it of accumulated dirt and deposits, as well as wash the separating element after removing it from the device body.
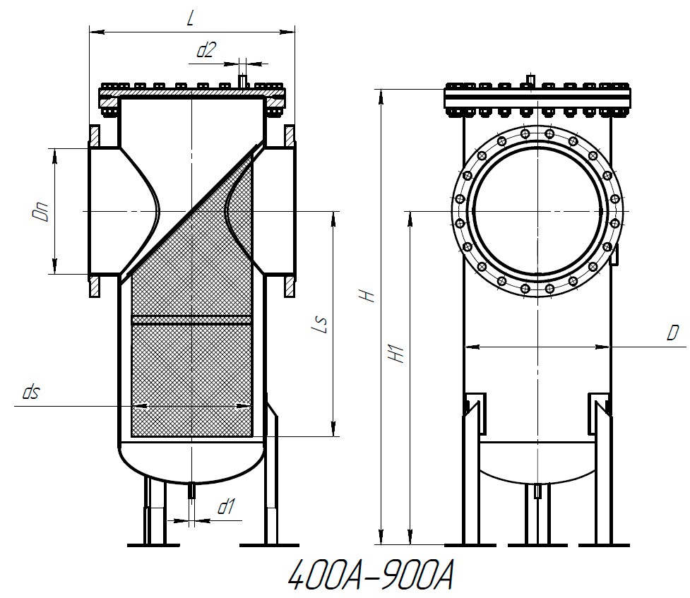
| Model | L, mm | D, mm | Dn, mm | H, mm | Н1, mm | ds, mm | Ls, mm | d2 | d1 |
|---|---|---|---|---|---|---|---|---|---|
| 50A | 490 | 100 | 50 | 500 | 335 | 50 | 225 | R1 | R 1/2 |
| 100A | 540 | 150 | 100 | 550 | 365 | 100 | 275 | R1 | R 1/2 |
| 150A | 580 | 200 | 150 | 620 | 415 | 150 | 325 | R1 | R 1/2 |
| 200A | 620 | 250 | 200 | 680 | 440 | 210 | 375 | R1 | R 1/2 |
| 250A | 660 | 300 | 250 | 860 | 570 | 240 | 505 | R1 | R 1/2 |
| 300A | 710 | 350 | 300 | 1020 | 670 | 290 | 600 | R1 | R 1/2 |
| 350A | 760 | 400 | 350 | 1110 | 710 | 340 | 640 | R1 | R 3/4 |
| 400A | 810 | 500 | 400 | 1250 | 810 | 390 | 740 | R1 | R 3/4 |
| 500A | 910 | 600 | 500 | 1945 | 1400 | 490 | 930 | R1 | R 3/4 |
| 600A | 1010 | 700 | 600 | 2240 | 1590 | 590 | 1100 | R 1-1/2 | R1 |
| 700A | 1110 | 800 | 700 | 2920 | 2085 | 690 | 1200 | R 1-1/2 | R1 |
| 800A | 1210 | 900 | 800 | 3630 | 2595 | 790 | 1300 | R 1-1/2 | R1 |
| 900A | 1310 | 1000 | 900 | 4445 | 3175 | 890 | 1400 | R 1-1/2 | R1 |
Delivery
- Pickup from a warehouse in Kiev - is free
- New Mail - at the rates of the delivery service, at the rates of the delivery service, at the rates of the delivery service
- SAT - at the rates of the delivery service
- Deliveri - at the rates of the delivery service
Payment
- Cashless payment with VAT
- Online Privat24, Visa / MasterCard
