| Назва параметру, характеристики | Значення |
|---|---|
| Робоче середовище | вода |
| Номінальний тиск | 10/16 бар |
| Температура робочого середовища | до 160 С |
| Втрати напору | не більше 0,2 кг/см2 |
| Розмір осередку фільтроелемента | від 0,4 мм до 14 мм |
| З’єднання | DN50-DN900 – фланець/різьба (фланцеве за ГОСТ 12821, DIN2634, EN1092, ISO 7005, JIS B 2220); (різьбове за ГОСТ 6357, DIN 259, EN 10226, ISO R228, JIS B 0202) G1/2-G2 – внутрішня зовнішня різьба |
| Установка | Вертикальна, напрямок потоку повинен співпадати з напрямом стрілки на корпусі |
| Маса нетто, кг | 20-4200 |
Графік перепаду тиску (для води) :
Сітка: отвори= Ø10-0,8 отворів/см2, комірки = 40 меш

Сітчатий сепаратор OPEKS-1-MFS, що призначений для сепарування води вiд механiчних домiшок (завислих частин пiску, окалин, крупних продуктiв корозiї) i може використовуватися для сепарування холодноi та гарячоi води на зворотно-му трубопроводi тепловоi мережi в котельнях, на вводах в ЦТП, абонентських подачах холодного i гарячого водопостачания та елеваторних вузлах i т.п., а та-кож для попереднього сепарування води перед фiльтрами на водозаборах, рiзних технологічних потоків води від механічних домішок. Установка сітчатого сепаратора виключас передачу гiдравлiчного удару.
Принцип дii.
Сітчатий сепаратор представляе собою вузол розширения трубопроводу зi змiною напрямку потоку води. Сепарування води вiд механiчних домiшок в сітчатому сепараторі вiдбувається за рахунок комбiнованого викорис-тання природних сил iнepцiї потоку i гравiтацiї з застосуваниям грубоi сiтки з нержавiючоi сталi в якостi сепаруючого елемента. Робота сітчатого сепаратора полягає в прийомi вихiдної води, її сепаруванні і відведення відсепарованої води. В процесі експлуатацiї потрiбно контролювати гiдравлiчний опiр сітчатого сепа-ратора за показаниями манометрiв (або диференцiального манометра) на лiнiї трубопроводу до i пiсля сітчатого сепаратора.
По мipi накопичения бруду в сепаруючому елементі сітчатого сепаратора i забивания окалиною або iншими зваженими частинками, зростає гiдравлiчний опiр апарату.
У разi перевищения значения опору, необхiдно вiдключити сітчатий сепаратор i провести очищення його вiд накопиченого бруду i вiдкладень, а також про-мити сепаруючий елемент попередньо вийнявши його з корпусу апарата.
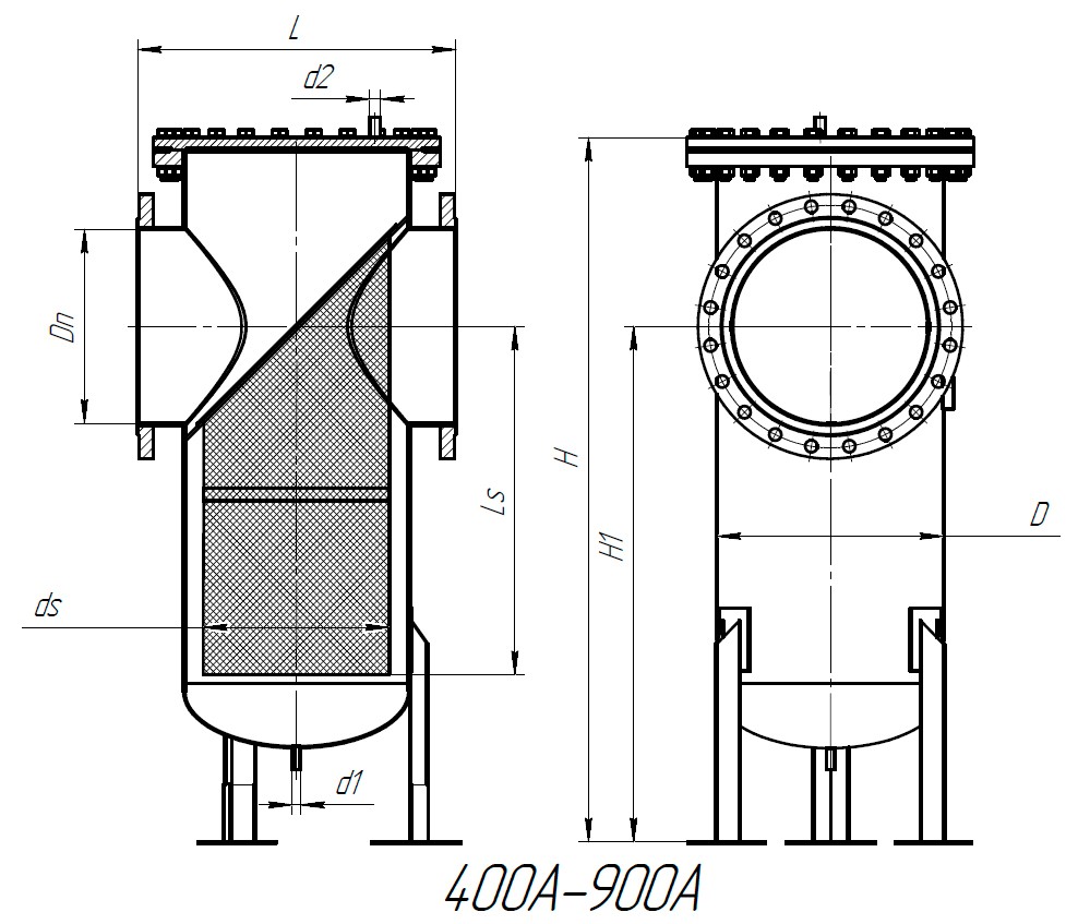
| Модель | L, мм | D, мм | Dn, мм | H, мм | Н1, мм | ds, мм | Ls, мм | d2 | d1 |
|---|---|---|---|---|---|---|---|---|---|
| 50A | 490 | 100 | 50 | 500 | 335 | 50 | 225 | R 1 | R 1/2 |
| 100A | 540 | 150 | 100 | 550 | 365 | 100 | 275 | R 1 | R 1/2 |
| 150A | 580 | 200 | 150 | 620 | 415 | 150 | 325 | R 1 | R 1/2 |
| 200A | 620 | 250 | 200 | 680 | 440 | 210 | 375 | R 1 | R 1/2 |
| 250A | 660 | 300 | 250 | 860 | 570 | 240 | 505 | R 1 | R 1/2 |
| 300A | 710 | 350 | 300 | 1020 | 670 | 290 | 600 | R 1 | R 1/2 |
| 350A | 760 | 400 | 350 | 1110 | 710 | 340 | 640 | R 1 | R 3/4 |
| 400A | 810 | 500 | 400 | 1250 | 810 | 390 | 740 | R 1 | R 3/4 |
| 500A | 910 | 600 | 500 | 1945 | 1400 | 490 | 930 | R 1 | R 3/4 |
| 600A | 1010 | 700 | 600 | 2240 | 1590 | 590 | 1100 | R 1-1/2 | R 1 |
| 700A | 1110 | 800 | 700 | 2920 | 2085 | 690 | 1200 | R 1-1/2 | R 1 |
| 800A | 1210 | 900 | 800 | 3630 | 2595 | 790 | 1300 | R 1-1/2 | R 1 |
| 900A | 1310 | 1000 | 900 | 4445 | 3175 | 890 | 1400 | R 1-1/2 | R 1 |
Доставка
- Самовивіз зі складу в Києві - безкоштовно
- Нова Пошта - за тарифами служби доставки, за тарифами служби доставки, за тарифами служби доставки
- SAT - за тарифами служби доставки
- Делівері - за тарифами служби доставки
Оплата
- Безготівковий розрахунок з ПДВ
- Онлайн Приват24, Visa/MasterCard
