| Parameter | Meaning | Note |
|---|---|---|
| Working environment | water, glycol, liquids, oil, milk, steam | can be used with other media |
| Operating pressure | Ru6, Ru10, Ru16 (standard), Ru25 | depends on the type of frame |
| Max. working temperature (° С) | 180 | - |
| Min. working temperature (° С) | - ten | - |
| Parameter | Description | Meaning | Note |
|---|---|---|---|
| Carrying frame | collapsible design with the ability to change the heat exchange area | carbon steel, painted RAL 5012 (Royal Blue), st. steel clad | industry and energy, food processing |
| Tie rods, bolts | for tightening the plate pack | galvanized carbon steel, stainless steel steel | strength class 8.8 |
| Connecting pipes | pipe thread R 11/4 "ISO7 / 1, milk thread 11/4" DIN11851, thread, welding, flange | carbon steel, st. steel | industry and energy, food grade, non-standard connections are possible on request |
| Heat exchange surface | TRANTER plate package, plate thickness options 0.4 mm, 0.5 mm, 0.6 mm, 0.7 mm | stainless steel 254SMO, st. steel AISI304 (1.4301), st. steel AISI316 (1.4401), titanium | the material depends on the corrosivity of the medium |
| Seals | Heat exchanger duct sealing - seals manufactured by TRANTER | EPDM-P, NBR-P, VITON | the material depends on the corrosivity of the medium and the operating temperature |

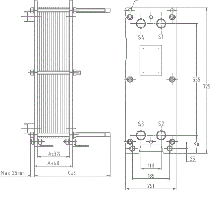
* Dimensions A and C depend on the number of plates in the package.
![]() | Sliding plate: M1, M2, M3, M4 | The inlet / outlet of the media is indicated in the specification of the heat exchanger. Parallel or diagonal connection possible. In two-stage or multi-pass heat exchangers, nozzles located on a movable plate are used. |
| Fixed plate: S1, S2, S3, S4 |
Counter flanges
and threaded connections

Non-standard fittings

Mesh filter built into the branch pipe

Thermal insulation

Splash guard

CIP rinsing unit

A plate heat exchanger is an apparatus for heat exchange between a less heated (heated) medium and a more heated coolant through corrugated heat exchange plates, which are pulled together and sealed with gaskets. In the manufacture of heat exchangers, plates and gaskets manufactured by TRANTER (USA, Sweden) are used.
Delivery
- Pickup from a warehouse in Kiev - is free
- New Mail - at the rates of the delivery service, at the rates of the delivery service, at the rates of the delivery service
- SAT - at the rates of the delivery service
- Deliveri - at the rates of the delivery service
Payment
- Cashless payment with VAT
- Online Privat24, Visa / MasterCard



