| Найменування параметру | Значення |
|---|---|
| Матеріал економайзера | нерж. сталь |
| Макс. температура газу, що йде на вході, ° C | 450 ° C (за запитом 650 ° C) |
| Макс. тиск у водяному контурі, бар | 32 |
| Діаметр труби для зливу конденсату | 1/2",3/4",1" |
| Діаметр димоходу (внутрішній), мм | 120 (хв) … 300 (макс), інші за запитом |

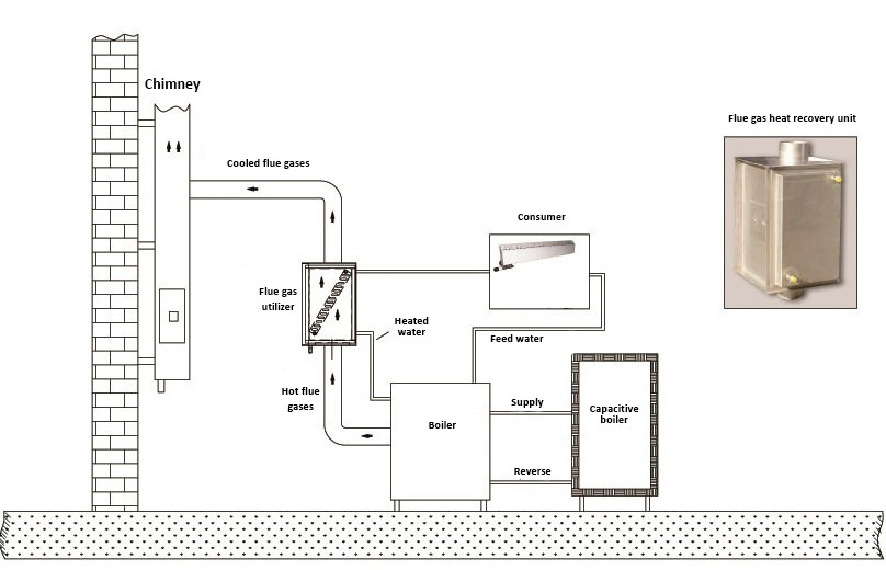
Економайзери димових газів дозволяють скоротити втрати теплової енергії газів через димоходи котлів. Місце встановлення – система димовидалення між джерелом тепла (котлом) та димоходом. Виготовляється з високолегованої сталі та стійкий до корозії. Передбачено трубку відведення конденсату з охолоджених продуктів згоряння. При монтажі необхідно враховувати додаткове вагове навантаження та передбачати підтримуючі кронштейни. Розрахунок та виготовлення економайзера здійснюється за індивідуальними заявками.
Основні дані, що використовуються для розрахунку економайзера:
- - Потужність котла або масова витрата продуктів згоряння, кг/год.
- - Температура газу, що йде на вході та виході з економайзер, °C
- - Вологість газу, %
- - Температура води на вході та виході з економайзера, °C
- - Діаметр димової труби (внутрішній), мм
- - Виконання (вертикальна або горизонтальна установка)
Доставка
- Самовивіз зі складу в Києві - безкоштовно
- Нова Пошта - за тарифами служби доставки, за тарифами служби доставки, за тарифами служби доставки
- SAT - за тарифами служби доставки
- Делівері - за тарифами служби доставки
Оплата
- Безготівковий розрахунок з ПДВ
- Онлайн Приват24, Visa/MasterCard
