| Модель | TSF-8F | |
| Номінальний розмір | 15А, 20А, 25А | |
| Застосування | Конденсат пари | |
| Робочий тиск (Макс. робочий перепад тиску) | TSF-8F-5: 0,01-0,5 МПа (0,5 МПа) TSF-8F-10: 0,01-1,0 МПа (1,0 МПа) TSF-8F-21: 0,01-2,1 МПа (2,1 МПа) | |
| Макс. температура | 220 °C | |
| Матеріал | Корпус | Ковкий чавун |
| Поплавок | Нержавіюча сталь | |
| Клапан, сідло клапана | Нержавіюча сталь | |
| З'єднання | JIS 10K FF фланцевий JIS 20K FF фланцевий ASME 150/300, ENPN25 | |
Запобіжні заходи під час встановлення
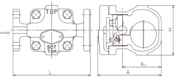
Напрям потоку
• Стандартний напрямок потоку – зліва направо, однак напрямок може бути змінено на місці установки.
Див. процедури повторного складання зміни напряму потоку.
• Якщо ви повторно зібрали виріб, змінивши напрямок потоку, впишіть символ на пластині відповідно до нового напрямку потоку. V – для потоку зверху вниз або R – для потоку праворуч наліво.
| Напрям потоку | Символ |
| Зліва направо (за замовчуванням) | Пусто |
| Зверху донизу | V |
| справа наліво | R |
*Є знизу та зверху. Для полегшення відкриття та зливу конденсатовідвідника у разі використання напрямку потоку вгору, укоротіть вертикальний трубопровід до відвідника.
1. TSF-8F може ефективно виводити конденсат без утримання при надійному спрацьовуванні завдяки різниці частки між парою і конденсатом.
2. Оскільки основні деталі кріпляться на кришці, можна від'єднати кришку, не знімаючи корпус з трубопроводу. Це полегшує огляд та заміну деталей.
3. Відмінна корозійна стійкість та довговічність за рахунок того, що всі основні деталі виготовлені з нержавіючої сталі.
4. Фільтр встановлений для захисту внутрішніх деталей від сторонніх об'єктів та для покращення міцності.
| Номінальний розмір | d | L | A | A1 | H | Вага, кг |
|---|---|---|---|---|---|---|
| 15A | 15 | 175 | 147 | 90 | 113 | 5.2 |
| 20A | 20 | 195 | 147 | 90 | 113 | 6.0 |
| 25A | 25 | 215 | 147 | 90 | 113 | 7.1 |
Максимальна постійна продуктивність
При проектуванні системи вибирайте конденсатовідвідник із достатнім запасом міцності (більш ніж у два рази перевищує звичайний рівень).
Доставка
- Самовивіз зі складу в Києві - безкоштовно
- Нова Пошта - за тарифами служби доставки, за тарифами служби доставки, за тарифами служби доставки
- SAT - за тарифами служби доставки
- Делівері - за тарифами служби доставки
Оплата
- Безготівковий розрахунок з ПДВ
- Онлайн Приват24, Visa/MasterCard
