| Модель | TSF-13F | ||
| Номінальний розмір | 40А, 50А | ||
| Застосування | Конденсат пари | ||
| Максимальний тиск | 1,0 МПа | 1,6 МПа | |
| Робочий тиск (Макс. роб. тиск) | TSF-13-5: 0,5 МПа TSF-13-10: 1,0 МПа | TSF-13-5: 0,5 МПа TSF-13-10: 1,0 МПа TSF-13-14: 1,4 МПа | |
| Макс. температура | 220 °C | ||
| Матеріал | Корпус | Лита вуглецева сталь | |
| Поплавок | Нержавіюча сталь | ||
| Клапан, сідло клапана | Нержавіюча сталь | ||
| З'єднання | JIS 10KRF JIS20KRF EN 1092 PN16 or PN25 ASME class 150 ASME class 300 | ||
Запобіжні заходи під час встановлення

*1. Встановіть сітчастий фільтр (рекомендується: 80 меш) на вхідній стороні, щоб захистити TSF-13CF від накипу та інших речовин. Через конструкцію з поплавковим важелем, сторонні речовини, що застрягли на клапані та сідлі клапана, можуть викликати значний витік пари.
*2. Підтримуйте нахил виробу в межах 5°. Підтримуйте продукт у міру потреби.
*3. Встановлення виробу з неправильним напрямом запобігає його нормальній роботі. Перевірте положення установки. Не використовуйте виріб під час використання. Неправильне положення перешкоджає нормальній роботі.
1. Надійна робота та велика пропускна спроможність, що забезпечуються поплавковою системою важеля.
2. Всі основні деталі, такі як клапани, сідла, повітровідвідники та поплавці, виготовлені з нержавіючої сталі, що забезпечує відмінну корозійну стійкість та довговічність.
3. Час запуску обладнання значно скорочується при використанні повітровідвідника високого тиску для швидкого випуску повітря із системи паропроводів.
4. Стабільна робота досягається за рахунок великого поплавця.
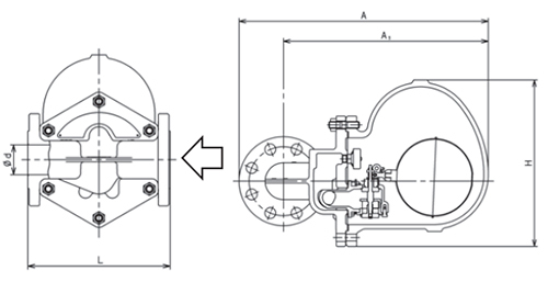
TSF-13F
| Номінальний розмір | Підключення | d | L | А | A1 | H | Вага |
| 40A | JIS 10KRF/20KRF | 40 | 228 | 423 | 353 | 290 | 24.0 |
| EN 1092 PN16 or PN25 | 40 | 230 | 428 | 353 | 290 | 24.5 | |
| ASME150LB | 40 | 221 | 416 | 353 | 290 | 23.0 | |
| ASME300LB | 40 | 221 | 431 | 353 | 290 | 25.7 | |
| 50A | JIS 10KRF/20KRF | 50 | 239 | 436 | 358 | 290 | 25.0 |
| EN 1092 PN16 or PN25 | 50 | 230 | 441 | 358 | 290 | 25.3 | |
| ASME150LB | 50 | 220 | 433 | 358 | 290 | 24.5 | |
| ASME300LB | 50 | 239 | 441 | 358 | 290 | 26.8 |
Максимальна постійна продуктивність
Номінальний розмір 40А
Номінальний розмір 50А
Пропускна здатність, вказана на графіці вище, є максимальним значенням.
При проектуванні системи виберіть конденсатовідвідник із достатнім запасом міцності (більш ніж у два рази перевищує звичайний рівень).
Доставка
- Самовивіз зі складу в Києві - безкоштовно
- Нова Пошта - за тарифами служби доставки, за тарифами служби доставки, за тарифами служби доставки
- SAT - за тарифами служби доставки
- Делівері - за тарифами служби доставки
Оплата
- Безготівковий розрахунок з ПДВ
- Онлайн Приват24, Visa/MasterCard
