| Наименование параметра | Значение |
| Максимальная расчетная температура конденсата, ºC | до 180, другая по запросу |
| Максимальное рабочее давление, МПа | до 0,8, другое по запросу |
| Расход, кг/ч | 100 … 30000 |
| Диаметр присоединений, Ду | 25 …250 |
| Объем ресивера, л | 50 … 500 |
| Управляющая среда | Пар, воздух |
| Регулятор давления прямого действия на трубопровод управляющей среды | опция |
| Материал трубопроводов и/или емкости | Углеродистая сталь, нержавеющая сталь |
| Габаритные размеры (ориентировочно, зависят от расчетной нагрузки) LxHxW, мм | (1000…2000)х(1000…2000)х(500…1000) |
| Не стандартное исполнение | Возможно по запросу |

Станция перекачки конденсата с механическими насосами предназначена для возврата горячего конденсата (90 С и выше) обратно в конденсатный тракт, для подпитки паровых котлов. Работа механических насосов происходит в циклическом режиме, поэтому не предполагает больших накопительных емкостей. Установка применяется в слчае, когда собственного давления конденсата недостаточно, что бы дойти до котельной или когда нужно разделить птребителя и конденсатнулинию.
Станция перекачки конденсата выполнена на базе механических насосов японской компании YOSHITAKE, является полностью автономной и не требует электрического питания. Возможно применение конденсатных насосов других производителей.
Пример обозначения станции сбора и перекачки конденсата производства ОПЭКС ЭНЕРГОСИСТЕМЫ:
МТП-НС№-М№-V ТУ 29.2-31777170-001:2006,
где
- НС – назначение блока – насосная станция подпитки с указанием количества насосов;
- М№ – номер модели установленных насосов;
- V – объем ресивера – емкости сбора конденсата.
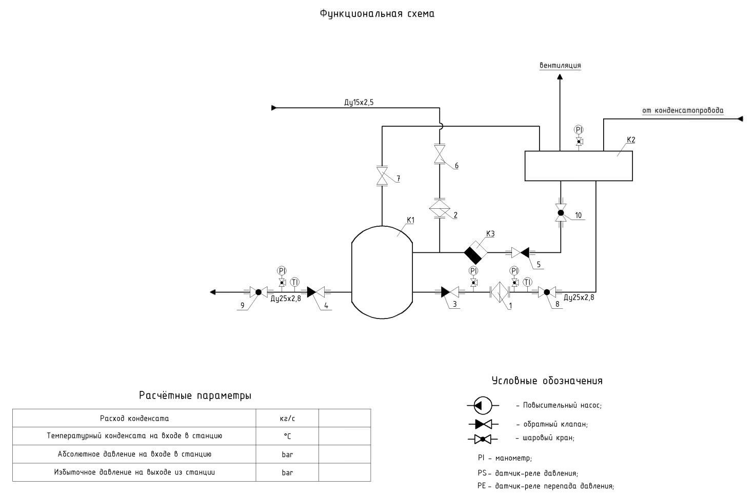
Установка перекачки конденсата состоит из следующих основных элементов:
- 1. Ресивер – емкость для сбора конденсата
- 2. Механический конденсатный насос (от 1 единицы)
- 3. Рама
- 4. Конденсатоотводчик
- 5. Запорная арматура
- 6. Манометры (опция)
- 7. Термометры (опция)
Ресивер для сбора конденсата оснащается патрубками для подвода конденсата, напорным коллектором, вентиляционным патрубком.
Емкость для сбора конденсата выполняется как с углеродистой стали или нержавеющей стали, в зависимости от предпочтений заказчика.
Подбор механических конденсатных насосов для каждой установки выполняется индивидуально, в зависимости от требуемого напора и производительности конденсатной системы.
Преимущества использования установки перекачки конденсата заключаются в следующем:
- 1. Разработка установки производится на основании ТУ
- 2. Каждый модуль разрабатывается в соответствии с требованиями и пожеланиями заказчика
- 3. Полная автономность, не требуется подключение электроэнергии.
- 4. Быстрый и простой монтаж по месту
- 5. Компактная конструкция
- 6. Заводское изготовление с применением современных технологий и оборудования лучших производителей.

Доставка
- Самовывоз со склада в Киеве - бесплатно
- Новая Почта - по тарифам службы доставки, по тарифам службы доставки, по тарифам службы доставки
- SAT - по тарифам службы доставки
- Деливери - по тарифам службы доставки
Оплата
- Безналичный расчет с НДС
- Онлайн Приват24, Visa/MasterCard

