| Параметр | Значение | Примечание |
|---|---|---|
| Рабочая среда | вода, гликоль, жидкости, масло, молоко, пар | возможно применение с другими средами |
| Рабочее давление | Ру6, Ру10, Ру16 (стандарт), Ру25 | зависит от типа рамы |
| Макс. рабочая температура (°С) | 180 | - |
| Мин. рабочая температура (°С) | - 10 | - |
| Макс. число пластин (NP) | 500 | - |
| Вес теплообменника | 400–1600 кг | - |
| Исполнение соединений | фланцевое: DN100 | - |
| Параметр | Описание | Значение | Примечание |
|---|---|---|---|
| Несущая рама | разборная конструкция с возможностью изменения площади теплообмена | углеродистая сталь, окрашена RAL 5012 (Royal Blue), нерж. сталь, плакированная | промышленность и энергетика, пищевое исполнение |
| Стяжные шпильки, болты | для стягивания пакета пластин | углеродистая сталь оцинкованная, нерж. сталь | класс прочности 8.8 |
| Присоединительные патрубки | резьба трубная R 11/4” ISO7/1, резьба молочная 11/4” DIN11851, резьба, приварка, фланец | углеродистая сталь, нерж. сталь | промышленность и энергетика, пищевое исполнение, возможны нестандартные патрубки по запросу |
| Теплообменная поверхность | Пакет пластин производства компании TRANTER, варианты толщин пластин 0.4 мм, 0.5 мм, 0.6 мм, 0.7 мм | нерж. сталь 254SMO, нерж. сталь AISI304(1.4301), нерж. сталь AISI316(1.4401), titanium | материал зависит от коррозионной активности среды |
| Уплотнения | Герметизация каналов теплообменника - уплотнения производства компании TRANTER | EPDM-P, NBR-P, VITON | материал зависит от коррозионной активности среды и рабочей температуры |

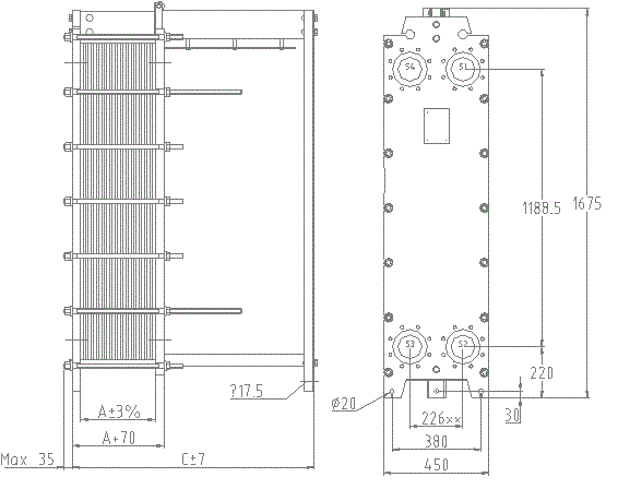
*Размер А и С зависят от количества пластин в пакете.
![]() | Подвижная плита:M1, M2, M3, M4 | Вход/Выход сред указывается в спецификации теплообменника. Возможно параллельное или диагональное подключение. В двухступенчатых или много ходовых теплообменниках применяются патрубки, расположенные на подвижной плите. |
| Неподвижная плита:S1, S2, S3, S4 |
Ответные фланцы
и резьбовые соединения

Нестандартные патрубки

Фильтр сетчатый встраиваемый в патрубок

Теплоизоляция

Защитный кожух от брызг

Установка CIP промывки

Пластинчатый теплообменник — аппарат для теплообмена между менее нагретой (нагреваемой) средой и более нагретым теплоносителем через гофрированные теплообменные пластины, которые стянуты между собой и герметизированы с помощью прокладок. При изготовлении теплообменников применяются пластины и прокладки производства компании TRANTER (США, Швеция).
Доставка
- Самовывоз со склада в Киеве - бесплатно
- Новая Почта - по тарифам службы доставки, по тарифам службы доставки, по тарифам службы доставки
- SAT - по тарифам службы доставки
- Деливери - по тарифам службы доставки
Оплата
- Безналичный расчет с НДС
- Онлайн Приват24, Visa/MasterCard




