| Наименование параметра | Значение |
| Назначение | Аккумулирование и циркуляция хладоносителя |
| Среда | вода |
| Максимальное рабочее давление, бар | 16 |
| Максимальная рабочая температура , С | 100 С |
Гидромодули предназначены для обеспечения бесперебойной циркуляции хладоносителя в системах холодоснабжения, кондиционирования, а также в системах отопления различных объектов. Установки состоят из насосов и накопительного резервуара, а для обеспечения бесперебойной автоматической работы, большое значение уделяется системе управления и защиты. Расчет Гидромодуля выполняется в зависимости от задач и требований, поставленных Заказчиком. Главными элементами при выборе эффективной установки выступает количество насосов или резервуаров. В своем составе Гидромодуль может иметь несколько контуров, количество насосов не ограничено и множество разнообразных дополнительных элементов и опций. В Гидромодулях используются надежные высокоэффективные насосы с высоким КПД и низким энергопотреблением, а для компенсации теплового расширения хладоносителя используются мембранные баки.
Преимущества готовых гидромодулей OPEKS:
- Полная готовность к работе после поставки
- Ускоряет процесс монтажа
- Высокое качество всех применяемых в конструкции элементов
Согласование габаритных размеров и принципиальной схемы с Заказчиком перед началом изготовления
Гидромодули успешно применяются и для оптимизации работы чиллера. Для обеспечения стабильной работы агрегата и экономии электроэнергии, Гидромодуль чиллера, в первую очередь, должен присутствовать в системе. Без него сбалансированной циркуляции достигнуть будет сложно.

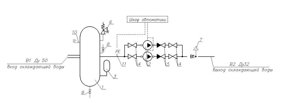
Рисунок 1 – Принципиальная схема гидромодуля
1-накопительный бак; 2-насос; 3-мебранный бак; 4-запорные клапана; 5-клапан обратный; 6-предохранительный клапан; 7-автоматический воздухоспускатель; 8-ручной воздухоспускатель; 9-сливной кран; 10-манометр; 11-датчик давления.
На рисунке 1 представлена принципиальная схема гидромодуля. Изготавливаются гидромодули на отдельной раме, корпус конструкции имеет защитный кожух. Состоит гидромодуль из аккумулирующего бака, расширительного бака, одного или нескольких водяных насосов, фильтра, регулировочной арматуры. В состав также входят заправочный и сливной вентили, автоматические воздухоотводчики, предохранительный клапан. Гидромодуль оснащается электрическим шкафом управления с защитной крышкой для размещения вне помещения.
Гидромодули комплектуются насосами стандартного давления 1-2 бар или высоконапорными насосами 2-3 бар. В зависимости от мощности чиллера или суммарной мощности чиллеров, определяется производительность насоса и емкость накопительного бака.
Доставка
- Самовывоз со склада в Киеве - бесплатно
- Новая Почта - по тарифам службы доставки, по тарифам службы доставки, по тарифам службы доставки
- SAT - по тарифам службы доставки
- Деливери - по тарифам службы доставки
Оплата
- Безналичный расчет с НДС
- Онлайн Приват24, Visa/MasterCard


